介绍
因此,在栅格上用醋酸铀酰和柠檬酸铅进行超薄切片的双重对比是电子显微镜标准的常规对比技术。虽然这种技术是众所周知的,但对比是电子显微镜标本制备中最关键的步骤之一。除了人工处理,特别是使用的化学品的性质,可能导致沉淀人工因素,是误差因素。
醋酸铀酰(UA)通过与脂质和蛋白质的相互作用来增强对比度,如果没有在正确的浓度中使用,如果不从切片中去除多余的UA,就会形成黄色的针状晶体沉淀。柠檬酸铅,通过与蛋白质和糖原相互作用来增强对比度,如果不严格在CO下使用,将形成一种水不溶的有毒白色沉淀物(碳酸铅)2自由的条件。避免公司2在手工加工过程中是困难的,需要一个特殊的程序。
通过标准化、封闭、自动化的工艺流程,满足了对重现性的科学要求、对样品质量的高要求和对工作环境的安全要求,一方面降低了试剂用量,另一方面避免接触危险试剂。188金宝搏的网址
根据这些需求,徕卡微系统公司开发了全自动相机188金宝搏的网址徕卡EM AC20.与现成的预包装UA和柠檬酸铅染色剂进行自动对比,可确保用户尽量减少与试剂的接触,并消除几乎所有手工染色的传统问题,如铀酰或铅沉淀、健康风险和试剂消耗高。188金宝搏的网址
污渍
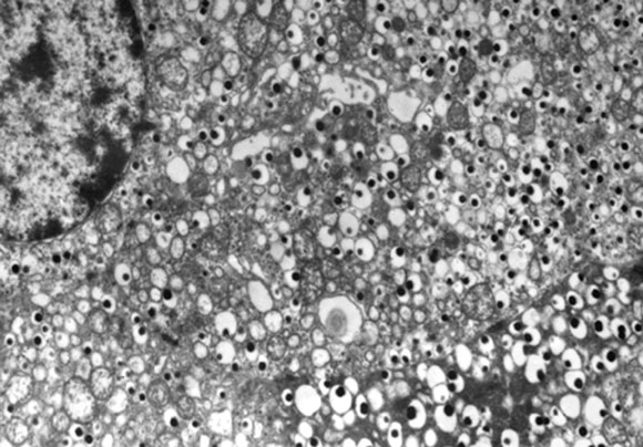
电子显微镜中最广泛使用的染色剂是重金属,铀和铅。超薄切片与乙酸铀酰(UA)和柠檬酸铅的双重对比方法是电子显微镜的标准对比技术(图1和2)。
在本章中,我们将讨论UA和柠檬酸铅的特点,以及它们的优缺点取决于对比工艺。
UA的缺点是对光的敏感性,尤其明显紫外线,如果暴露会沉淀。它在老化时也会沉淀。此外,UA具有放射性和毒性。用贫铀制备的普通商业库存的典型放射性为0.37-0.51 μ Ci/g。这是一种非常温和的放射性水平,当物质停留在体外时,还不足以造成危害。如果以灰尘的形式摄入、吸入或通过皮肤接触吸入,如果皮肤被割伤或擦伤,它具有极高的188金宝搏的网址毒性。毒性是由于化学毒性和轻度放射性的综合作用,长期接触有累积效应的危险。
醋酸双氧铀的解决方案
UA可用作酒精(乙醇或甲醇)或水溶液。两种类型的铀酰溶液各有优缺点。
酒精醋酸双氧铀
酒精染色剂的优点是它更容易渗透到塑料嵌入的组织中,因此只需要很短的染色时间就可以提供高对比度。
酒精溶液通常是在50 - 70%乙醇或干甲醇中制备的饱和溶液。
在甲醇中溶解度最高。因此,饱和甲醇醋酸铀酰染色可得到最高的对比度。
酒精,特别是甲醇乙酸铀酰是一种化学腐蚀性溶液。因此,在使用甲醇乙酸铀酰时,应考虑增强细胞物质的提取。酒精性UA可溶解胶体-巴洛狄酸载体膜,延长染色时间可溶解甚至形成膜。它还对许多塑料和橡胶产生破坏性影响。
水铀酰乙酸
为了使UA染色获得特定的效果,它应该作为水溶液使用。
当UA溶解在水中时,溶液的pH值将根据浓度(0.5%到3%)从4.2到4.9不等。在这个pH值下,带正电荷的铀酰种类占优势,染色溶液提供了充分的对比。带负电荷的分子,如核酸,染色效果特别好。
水溶液染色剂是不稳定的,而且在这个ph值范围内非常光敏。溶液的老化和光的照射导致氢氧化铀和四价氢氧化铀的沉淀。
四价铀在某些有机离子的存在下也会沉淀,如埋入介质的未聚合单体如下所示:
因为染色剂的pH值很低,所以不建议在酸性条件下不稳定的标本中使用。此外,染色剂在生理pH和许多盐的存在下沉淀,使用时需要非常小心。因此,过滤后的染色剂应保存在4°C的黑暗中,并可使用几个月。
稳定的解决方案
需要稳定的UA,以避免沉淀更长的存储时间。酸化稳定UA可完全避免沉淀。然而,酸化大大降低了染色效果。在pH 3.5时,铀酰离子与DNA的结合较强,而且比pH 4.0时更特异,因为在这个pH下只有DNA带负电荷。pH值低于3.5时,铀酰染色与组织成分的反应非常弱,因为大多数蛋白质甚至核酸在pH值较低时不再带负电荷。
徕卡紫外染色I(醋酸铀酰溶液)
徕卡紫外染色I对应于稳定的0.5%醋酸铀酰溶液,pH为4.4。它是预先包装在棕色200毫升瓶,以保护它的光。这是在一个化学生产工厂的一个特殊的风险实验室中进行的,在这样的条件下很难安排新兴市场实验室。
沉淀
在常规的对比程序中,UA的问题相对容易掌握,通过反复更换染色剂和日常过滤或离心。UA在大方形或菱形晶体的针中结晶(或作为颗粒聚集体,如图4)。
4% (w/v)醋酸铀酰水溶液的制备
警告:醋酸铀酰由于化学毒性和轻度放射性的综合作用,具有极高的毒性,长期接触有累积效应的危险。在称粉时要小心,一定要戴上乳胶手套、实验服、防护口罩和其他合适的防护措施(联系实验室安全员!)188金宝搏的网址
材料
- 乳胶手套,实验服,防护面罩
- 200毫升棕色原液瓶(小心清洁!)
- 100ml容量瓶(小心清洁!)
- 50ml吸管(小心清洁!)
- 通风柜下天平
- 重的菜
- 热板
- 磁力搅拌器和搅拌棒
- Whatman #1滤纸
- 玻璃漏斗
- 乙酸铀酰二水合物粉末(贫化)[U(C .)2H3.O3.)2×2 h2O), 4 g
- 有限公司2免费双蒸馏水,125毫升
注意:玻璃器皿一旦被重金属污染,就不能用来配制其他化学溶液。
过程
- 在通风柜下称4克醋酸铀酰(UA)(磨损保护!),并将其添加到100ml容量瓶中。移液96毫升接近沸腾的一氧化碳2用UA将游离的双蒸馏水放入烧瓶中。
- 放在搅拌器上,直到二水乙酸铀酰晶体溶解。这需要一段时间。溶解后,让溶液冷却到室温。
- 将UA通过Whatman #1过滤器过滤到200ml棕色瓶子(光保护),盖紧并贴上标签。这种储存溶液可以在4°C下保存数月。
- 将受污染的玻璃器皿冲洗到盛有UA溶液的废瓶中,并与实验室玻璃器皿分开存放。被UA污染的固体废物应放在存放放射性废物的固体废物容器中处理(联系实验室安全员!)188金宝搏的网址
柠檬酸铅
枸橼酸铅增强了核糖体、脂膜、细胞骨架和细胞质的其他分隔间的对比效应。对比效应的增强依赖于与还原锇的相互作用,因为它允许铅离子附着在分子的极性基团上。锇通常用作固定剂。柠檬酸铅也与UA相互作用,但作用程度较弱,因此在UA染色后再进行柠檬酸铅染色。
柠檬酸铅的缺点是它在实验室条件下的行为不可预测,而且制备过程耗时且精细(见图7)。柠檬酸铅在二氧化碳存在的情况下很容易沉淀,无论是在空气中,还是在用于制备污渍或漂洗的水中。碳酸铅(PbCO3.)是一种不溶于水的白色有毒沉淀物,因此不会在漂洗水中溶解。一般来说,所有的铅盐,如柠檬酸铅,都是剧毒的。
领先解决方案
Leica Ultrostain II(柠檬酸铅溶液)
Leica Ultrostain II相当于雷诺兹柠檬酸铅。将3%柠檬酸铅溶液在真空密闭袋中,在氦气气氛下预先包装。这是在化学生产工厂的特殊风险实验室中进行的,并在不可能达到标准的条件下进行新兴市场实验室。
沉淀
碳酸铅(PbCO3.)是一种不溶于水的白色有毒沉淀物。
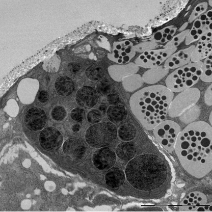
在电子显微镜下为黑色颗粒。颗粒可以大(图7a)而少,也可以在剖面上覆盖一层细颗粒沉积物(图7b)。
材料
- 50毫升塑料或玻璃塞子容量瓶(小心清洁!)
- 25毫升吸管(小心清洁!)
- 酸碱计(洁癖!)
- 磁力搅拌器和搅拌棒
- 硝酸铅(Pb(没有3.)2), 1.33克
- 柠檬酸钠(Na3.(C6H5O7)×2 h2O), 1.76 g
- 有限公司2免费双蒸馏水,100毫升(新鲜制作,冷冻至至少25°C)
- 1 N NaOH, 10 ml(新鲜制备的CO2无重蒸馏的水)
过程
- 将1.33克硝酸铅、1.76克柠檬酸钠和30毫升一氧化碳混合250ml容量瓶中无双蒸馏水。剧烈摇动溶液几分钟,然后在30分钟内摇动5-6次。这将产生没有大颗粒的乳白色铅染色悬浮液。如果看到大块的颗粒,就继续摇晃,直到颗粒被分解,或者重新开始。在搅拌板上搅拌,直到二水乙酸铀酰晶体(图3)溶解。这需要一段时间。溶解后,让溶液冷却到室温。
- 搅拌时向悬浮液中加入5到7毫升1n NaOH。乳白色的溶液会变清。如果没有,再加几滴NaOH至总8毫升。如果溶液仍然不变清,说明有问题,应该丢弃污渍!将受污染的玻璃器皿冲洗到盛有UA溶液的废瓶中,并与实验室玻璃器皿分开存放。被UA污染的固体废物应放在存放放射性废物的固体废物容器中处理(联系实验室安全员!)188金宝搏的网址
- 取出少量透明污渍,用pH计检查pH值。pH值应为12.0 +/- 0.1。如果pH值太低,在第二步的烧瓶中加入更多的NaOH。如果pH高于12.1,重新开始。
- pH值确定后,加入CO2将游离水注入容量瓶,使溶液达到50ml的最终体积。
- 如果密封紧密,该溶液的保质期可达6个月。使用前,离心(5000 × g/10分钟)或通过微过滤器。
注意:这个染色剂的准确pH值是非常重要的。如果pH值从pH值12.0变化超过0.1个单位,就会发生较差的染色或沉淀。
对比过程
手工对比
在为电子显微镜准备标本时,手工染色切片是大多数失败的步骤。在这里,网格被放置在醋酸铀酰(UA)溶液滴上,在一定的孵育时间后用镊子取出(图8a和8b)。然后将网格在水中冲洗几次,然后放在柠檬酸铅滴上孵育(图9a和9b)。以防止柠檬酸铅因暴露于一氧化碳而沉淀2,氢氧化钠颗粒被添加到染色皿中(这里是一个有盖培养皿)以排除大气中的CO2.此外,冲洗水应该是CO2无(双蒸馏)。染色后,用几个水浴和喷射水再次冲洗网格(图9c)。排汗和干燥后,网格就可以分析了。
手工染色的主要问题是染色过程中金属盐的沉淀,特别是铅的沉淀。使用氢氧化钠颗粒减少沉淀是一种常用的技术。即使采取最好的预防措施,在关键的半小时染色过程中,沉淀也可能破坏数小时甚至数天的工作。
另一个经验丰富的问题是网格的重复处理,这很容易损坏支撑膜甚至部分。
由于包含了许多手动操作步骤,因此在整个染色过程中,用户的在场是必要的。此外,当只能同时染色少量网格时,必须经常重复这个过程。因此,手工染色大大增加了工作负荷新兴市场实验室。如果要进行多序列或长序列切片染色,特别是使用较短的染色时间,则很难获得一致的重现性,有时甚至不可能获得。
最后,在准备染色和染色过程中反复处理危险化学品会增加健康风险,这是手工染色的一个主要缺点。
自动对比
徕卡新兴市场AC20自动化了传统手工对安装在网格上的超薄切片进行双重对比的技术。该技术设计解决了手工染色的大多数传统问题,如沉淀和染色结果不均等。此外,通过同时对比多达20个网格,自动化加快了实验室的常规工作,并使对比结果标准化。因此,全自动染色与新兴市场AC20通过消除传统的染色问题,降低健康风险,并给技术人员更多的时间进行更有价值的工作,对电子显微镜实验室常规进行了广泛的改进。
该仪器使用预先包装的、稳定的醋酸铀酰(UA)和柠檬酸铅溶液,以尽量减少用户与危险化学品的接触,并消除沉淀和污染,这是由于受控和标准化的染色准备和装瓶(见第2章)188金宝搏的网址新兴市场AC20是蠕动泵和非接触阀系统,这意味着试剂只能通过空气密封的腔管。188金宝搏的网址这个泵-阀-油管系统包含两个独立的油管装置。一个允许控制试剂的流动和冲洗到栅格室(图9b)。第二个引导废物从腔室到特定的废弃瓶。
影响对比度的因素
在染色技术中,对对比质量影响最大的因素是染色溶液的质量和浓度。除污渍外,还受固定剂、缓冲液、漂洗水、脱水、漂洗时间、包埋介质类型、聚合程度、切片厚度等因素的影响。
一般因素
固定液
四氧化锇固定剂增强对比。它与醋酸铀酰和柠檬酸铅相互作用,在染色后起到固定和增强对比的作用。研究表明,固定时间对醋酸铀酰对比得到的对比剂有影响。与四氧化锇长期固定会降低染色质的对比度。
缓冲区
铀酰与卡可酰酸盐和磷酸盐离子发生强烈反应,导致铀酰盐的沉淀。因此,在广泛固定后洗涤样品时,可获得无沉淀的高对比度。
即使在脱水和包埋后,磷酸盐缓冲液仍可留在组织中,并经常在肌肉和神经组织中形成小的、局部的、致密的沉积物。
冲洗水
的有限公司2漂洗水的含量通过形成碳酸铅沉淀而影响对比度。新鲜蒸馏水的pH值接近中性。如果蒸馏水被允许长时间保存,CO2从空气中溶解。
此外,低pH <6.0的漂洗水降低了醋酸铀酰的对比度,因此也降低了总体对比度。如果水的pH值低于6.0,应加入KOH进行中和。冲洗水也应该脱气或煮沸,以防止形成气泡,如果存在,附在染色室的网格上,防止染色。
包埋剂
Epon和Epon替代品的对比方式相似,因此不需要特别处理。阿拉蒂石被认为能产生固有的背景染色。因此建议在较低的温度下缩短对比时间。Spurr包埋树脂一般需要较长的对比时间。建议不要在给Spurr染色时增加温度,因为像Araldite一样,树脂背景本身有吸收污渍的倾向。埋入标本的年龄是很重要的,因为埋入材料在储存过程中会继续聚合。旧标本和切片需要较长的醋酸铀酰对比时间。
截面厚度
薄切片的对比度比厚切片低,但分辨率更高,因为染色剂可以结合的位点更少。因此,薄切片比厚切片需要更长的染色时间。
水平的聚合
聚合不良的包埋介质是软的,难以切割和快速染色。因此,建议在较低的温度下缩短对比时间。
全体染色
近年来,试样包埋前的对比作为一种不产生沉淀的增强对比的方法已成为一种流行的方法。
然而,在大多数研究中,“整体”染色并不能充分增强标本的对比度。大多数教科书都推荐用醋酸铀酰和柠檬酸铅对各部分进行染色。













