摘要

聚焦离子束铣削和脑组织扫描电子显微镜

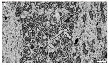
该方案描述了如何使用聚焦离子束/扫描电子显微镜对生物样本(如脑组织)进行三维成像(小谎/扫描电镜).样品用醛固定,重金属用四氧化锇和醋酸铀酰染色。然后用酒精脱水,用树脂渗透,然后硬化。使用光学显微镜和带有玻璃刀的超显微切片机,制作出一个包含靠近表面的感兴趣区域的小块。然后将该块放置在小谎/扫描电镜,离子束用于沿块体一侧(靠近该区域)大致研磨垂直面。使用背散射电子对底层结构成像,然后使用更细的离子束研磨更小的表面,并更仔细地检查表面,以确定要成像和研磨的表面的确切区域。然后设置显微镜的参数,以便反复铣削和成像表面,以便通过块体的体积收集序列图像。图像堆栈通常包含各向同性体素,每个方向上的二聚体小到4 nm。任何成像平面中的这种图像质量使用户能够在图像堆栈内的任何视角下分析细胞超微结构。

主题和标签

查看JoVe上的视频实验:

诺特G、罗塞特S和坎托尼M:
聚焦离子束铣削和脑组织扫描电子显微镜

J.维斯。实验53:e2588(2011年);内政部:10.3791/2588

有兴趣知道更多吗?

与我们的专家交谈。我们很高兴回答您的所有问题和担忧。

188金宝搏的网址联系我们

你喜欢个人咨询吗?

  • 188金宝搏的网址徕卡微系统公司。
    莱德巷1700号
    水牛林,IL 60089 美国
    办公室电话:+1 800 248 0123
    188bet官网1服务电话:1 800 248 0223
    传真:+1 847-236-3009

您将在此处找到更详细的本地联系人列表。188金宝搏的网址