| Artikelnummer | 11506227 |
|---|---|
| Korrekturring (CORR) | - - - - - - |
| Deckglas | 麻省理工学院和ohne |
| 拉赫der Austrittspupille /迪拜国际资本棱镜 | - - - - - - |
| Sehfeldzahl (FN) | 20. |
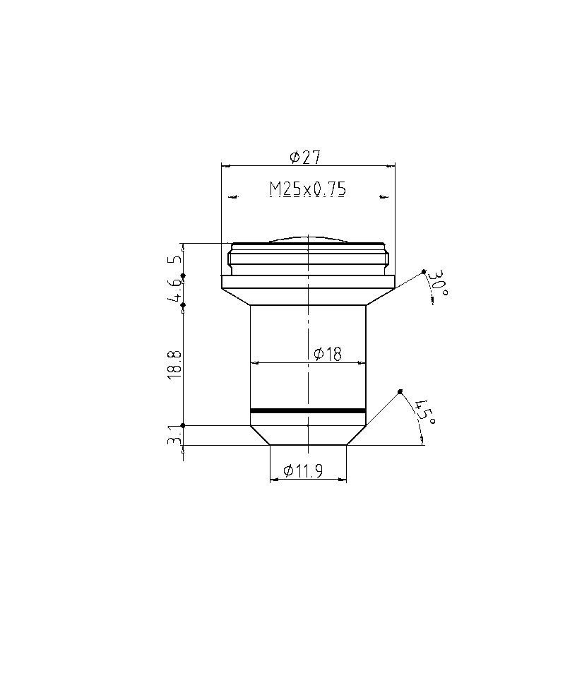
| 弗雷Arbeitsabstand (WD在毫米) | 18 |
| 浸 | 特罗肯 |
| Irisblende | Ohne |
| Vergroßerung | 4⨉ |
| Kontrastmethoden | TL-BF,氟 |
| Numerische Apertur | 0.1 |
| Objektivgewinde | M25公路 |
| Objektivtyp | 你好,计划 |
| Praparatschutz | 不行 |
| Geeignet皮毛亚足联(自适应聚焦控制) | - - - - - - |
| 德国埃森 | SL |
| 传输 | - - - - - - |

