| numérod'tration. | 11506523 |
|---|---|
| Bague De Requter(Cor) | - |
| 拉米尔·豆武里 - Objet | Avec&Sans. |
| Sortie de la位置de la pupille / du prisme dic | - |
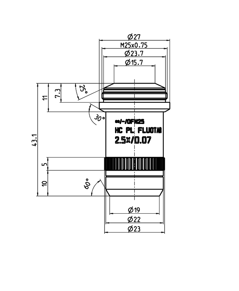
| Champ de Vision(FN) | 25. |
| 距离De Travail Libre(WD en mm) | 9.4 |
| 浸没 | 秒 |
| 隔膜D'Iris. | SANS. |
| 概述 | 2.5⨉ |
| Méthodede令人反之财 | TL-BF,TL-P,Fluo |
| ouverturenumérique. | 0.07 |
| Filetage de l'Objectif | M25 |
| 键入d'Objectif. | PL Fluotar. |
| RessortChargé. | 非 |
| AdaptéàFac(ContrôleAcketatifde la Mise Au Point) | - |
| 技术 | 灯泡杂乱 |
| 传播 | - |


