| numérod'tration. | 11506518 |
|---|---|
| Bague De Requter(Cor) | - |
| 拉米尔·豆武里 - Objet | Avec. |
| Sortie de la位置de la pupille / du prisme dic | D. |
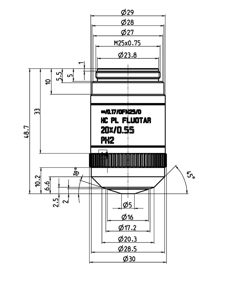
| Champ de Vision(FN) | 25. |
| 距离De Travail Libre(WD en mm) | 1.2 |
| 浸没 | 秒 |
| 隔膜D'Iris. | SANS. |
| 概述 | 20 |
| Méthodede令人反之财 | T1-BF,TL-DIC,TL-P,TL-DF,TL-PH,FLUO |
| ouverturenumérique. | 0.55 |
| Filetage de l'Objectif | M25 |
| 键入d'Objectif. | PL Fluotar. |
| RessortChargé. | oui. |
| AdaptéàFac(ContrôleAcketatifde la Mise Au Point) | 兼容的垃圾 |
| 技术 | PH2 |
| 传播 | UV(340nm) |


